宇電AI顯示儀在工頻有鐵心感應電爐上的應用
2019-08-12
摘要:工頻有鐵心感應電爐是熔鑄行業廣泛使用的重要設備,感應體作為電爐的關鍵部件,也是薄弱的環節,其運行狀況決定了電爐的安全性和可靠性。本文是通過長期工作實踐并結合剖析此類電爐工作原理、結構特點和使用情況的基礎上,經過廣泛市場調研,推介采用宇電AI多路巡檢顯示儀,以溫差量來監測工頻有鐵心感應電爐運行狀況。
Abstract: Power frequency iron cored induction furnace is an important equipment widely used in the casting industry. The inductor is the key component of the furnace and the weakest point. Its operation status determines the safety and reliability of the furnace. This article is based on long-standing working practice combined with analysis of the working principle, structural characteristics and use of such furnace. Through extensive market research, it is recommended to apply Yudian AI multi-channel inspection display instrument to monitor the operation of power frequency iron cored induction furnace by temperature difference.
關鍵詞:感應體、熔溝內周耐火層、冷卻保護水套、溫差控制、AI-704M多路巡檢顯示儀、熱交換—循環水冷卻系統。
Key words: inductor, inner refractory layer of molten channel, cooling water jacket, temperature difference control, AI-704M multi-channel inspection display instrument, heat exchange-circulating water cooling system
0 引言
在熔鑄行業廣泛使用的工頻有鐵心感應電爐也稱工頻熔溝式感應電爐,它的工作原理與變壓器相似,只是它的次級僅有一匝且處于熔化狀態的熔溝,見示意圖(一)。

1.感應體 1.1熔溝 1.2內周耐火層
1.3冷卻保護水套 1.4線圈(一次級)1.5鐵心 2.爐膛
圖(一)工頻有鐵心感應電爐示意圖
電爐的關鍵部件是感應體,它是電爐的發熱體,它決定了電爐的性能和可靠性。根據電爐的用途、牌號、容量、熔化率和生產形式等要求不同,感應體具有如下特點:(1)需要連續幾個月到一年左右不間斷地工作;(2)由于熔溝的結構,決定了它的功率范圍在幾十千瓦至一千多千瓦;(3)由于它是安裝在電爐的底部位置,工作時候要承重近百公斤至十多噸的金屬液;(4)由于它類似變壓器的工作原理,工作時液態熔溝要承受電磁壓縮力和電動攪拌力;(5)由于工作時熔體熱交換的需要,熔溝溫度要高出爐膛熔煉(或者保溫)溫度幾十度至二百多度;(6)為了兼顧工作可靠性與工作效率的關系,只能使熔溝內周耐火層厚度大約只為四厘米至十厘米之間。由此可見,處于熔溝內周耐火層是整個電爐薄弱的環節。鑒于這些實際情況,為了確保電爐安全、可靠地運行,需要有監測感應體實時狀態的裝置,對于大容量電爐更是必須設置;雖然,目前已有幾種監測感應體運行狀態的方法和措施,例如:用較多個熱電偶檢測感應體多個位置耐火層中的溫度;用金屬網式電極布置在熔溝內周耐火層內,以電路形式檢測熔溝內周耐火層中金屬液的滲透情況;用感應體的多個電氣參數編繪運行圖,通過運行圖反映熔溝周圍耐火層的磨損狀況等。由于上述方法、器件和措施在實際工作中都有各自的局限性和不足之處,因而影響和限制了它們的廣泛運用。
1 應用原理
筆者在長期工作實踐中,通過進一步剖析感應體工作原理、結構特點和使用情況的基礎上,另辟蹊徑,依據電力系統差動控制保護的原理,在反復綜合廣泛市場調研現有檢測控制器件的實際情況下,選用了廈門宇電自動化科技有限公司的具有溫度差控制性能的AI-704M多路巡檢顯示儀,采用這種在市場上比較難以尋找到的、具有運算功能的多路巡檢顯示儀可以使它成為一種實用、新穎的監測工頻有鐵心感應電爐運行狀況的器件。因為在兼顧工作可靠性與工作效率的情況下,不同功率的感應體其熔溝內周耐火層徑向厚度只設置為約四厘米至十厘米之間,為了增強這個耐火層的可靠性還得在其內周再緊貼安置了一個徑向厚度約為二厘米的非磁性金屬材料制成的、開口環形套狀換熱器,也稱為冷卻保護水套;這個冷卻保護水套為了防止水溫過高引起結污垢影響冷卻效果,其傳熱面冷卻水測壁溫不宜高于70℃,為此冷卻保護水套的進水溫度和流量要使出水溫度通常控制在55℃左右。由冷卻保護水套與循環冷卻水裝置組成了一個熱交換—循環冷卻水系統。在冷卻保護水套的進水端和出水端分別設置測量冷卻水溫度的熱電阻WZ1和WZ2,把WZ1、WZ2檢測到的對應溫度信號T1、T2接入到AI-704M多路巡檢顯示儀輸入端,見示意圖(二)。

1.冷卻保護水套 2.循環冷卻水裝置 3.AI-704M多路巡檢顯示儀
4.1進水測溫熱電阻WZ1 4.2 出水測溫熱電阻WZ2
圖(二)用AI-704M多路巡檢顯示儀監測工頻有鐵心電爐示意圖
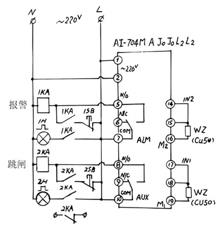
其中,由循環冷卻水裝置輸入給冷卻保護水套的熱量為Q1、由熔溝通過其內周耐火材層遞給冷卻保護水套水中的熱量為Q3、由冷卻保護水套輸出端回輸給循環冷卻水裝置的熱量為Q2,以溫度T1、T2、T3分別對應表示熱量Q1、Q2、Q3;得Q1+Q3=Q2、或Q2-Q1=Q3,即T1+T3=T2或T2-T1=T3;在正常工作情況下,T3是一個相對穩定的值,這樣冷卻保護水套的出水端與進水端的溫度差ΔT=T2-T1=T3也是一個相對穩定的值,以ΔT表示T3。正常運行中即使冷卻保護水套的進水溫度T1受到外界條件(例如環境溫度)影響發生變化,由于T3相對穩定,出水溫度T2也跟隨T1作相應變化,溫度差ΔT還是處于一個相對穩定的值,這樣提高了整個系統監測保護的抗干擾能力,也是一般單端測溫方法和裝置無法達到的性能。當熔溝內周耐火層有所損傷,導致熔溝金屬熔體開始初步滲入到耐火層內的時候,T3必定升高,即溫度差ΔT也相對升高,當升高到預置值ΔT’時AI-704M多路巡檢顯示儀輸出預警報警信號;當損傷情況進一步惡化,則會使T3進一步升高,即溫度差ΔT也進一步升高,當ΔT繼續升高到預置值ΔT’’時,AI-704M多路巡檢顯示儀輸出停爐跳閘故障信號,此時必須使電爐停止工作,現場采取對應措施,確保電爐安全,防止事故擴大。接線原理圖見圖(三)。

圖(三)接線原理圖
2結束語
采用本具有溫差控制方法和AI-704M多路巡檢顯示儀除了能可靠、方便、簡單地實時監測工頻有鐵心感應電爐的運行狀況,確保電爐安全地運行之外,還具有能不需要改變已有電爐結構和筑爐施工方式,便于舊電爐設備改進,不會因為設置檢測反而引入額外不足等優點;另外特有的差動運算控制功能還可以運用到其他單端控制器件無法勝任的多個場合。為此把廈門宇電自動化科技有限公司AI-704M多路巡檢顯示儀產品推薦給鑄造行業的同行們使用。
參考文獻:
[1] GB 50056-93 電熱設備電力設計規范 P.13
[2] GB 50050-2007 工業循環冷卻水處理設計規范 P.8
[3] 重有色金屬處理加工手冊 第2分冊 P.60
[4] 電氣工程師手冊 P.20-67
[5] 電機工程手冊 第6卷工業電氣設備 P.34-93
作者簡介:諸琢玉,工程師,主要從事電爐電氣系統設計。
返回頂部
