AI總線系統在廈門翔鷺化纖中央空調的應用
2011-09-15
一、監控系統結構簡介
1、提供中央整體機電設備情況顯示屏監察,對機電設備故障能作出即時察覺及分析。
2、通過AIFCS現場總線型計算機多串口網絡監控系統充分控制廠房,減少因網絡故障而影響運作,達到智能分散管理效果。
3、AI顯示控制儀表完全獨立操作,完善了手動/自動開關控制,包括所需的控制器及閥門。使用方便、節能降耗、減少故障率。

二、空調監控系統要求為

·溫度控制。
·濕度控制。
·新風、回風、排風的控制。
·制冷器的防凍監控。
·過濾器壓差的狀態監測。
·風機的狀態及故障報警。
·空調機組的狀態及故障報警。
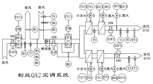
三、溫濕度、通風、回風、排風的自動調節原理

四、儀表選型、參數表、調試方式
(1)側吹風壓力、溫度、濕度控制子站
AI-808FXL2L2S4增強型智能調節器 ,4~20mA輸出控制調節。
調節器測量室內風壓與設定風壓相比較,控制送風變頻器,使其偏差為允許范圍。
調試方式:手動自整定
手動自整定方法是先用手動方式調節,等手動調節基本穩定后,再在手動狀態下啟動自整定,這樣儀表的輸出值將限制在當前手動值+10%及-10%的范圍而不是OPL及OPH定義的范圍,從而避免了生產現場不允許的變頻器大幅度變化現象。
模塊X電流輸出4~20mA、模塊L2開關量報警輸出、模塊S4通訊口

在使用過程中AI調節器 結合PID調節、自學習及模糊控制技術,實現了手動自整定。由于自整定執行時采用位式調節,其輸出將定位在由參數OPL及OPH定義的位置。在一些輸出不允許大幅度變化的場合,如某些執行器變頻器、調節閥的場合,常規的自整定并不適宜。
(2)新風、排風、回風開度控制
AI-808DXL2S4增強型智能調節器,4~20mA輸出控制調節。
調節器測量閥門反饋值與設定閥門開度相比較,去控制風門開度。
調試方式:用出廠初始值,無需自整定,閥門緩慢開啟。
(3)溫度、濕度、露點、風壓、過濾差壓、設備電流量、電壓量測量
顯示報警儀,測量溫度PT100、4~20mA標準無源信號。
AI-706MEJ1J1J1S、AI-706MEJ4J4J4S 六路顯示報警儀。

(4)設備運行狀態監測、控制和故障、報警采集
輸入AI-301E5I5I5I5I5I5S 輸出AI-301E5L5L5L5L5L5S
DI/DO開關量輸入/輸出控制,可10個I/O點
上位機指令開關量控制電機啟/停及采集狀態/故障反饋。
·送風機運行狀態排風機運行狀態監測、控制和故障報警。
·回風機運行狀態監測、控制和故障報警。
·噴淋水泵、冷卻水泵、冷卻塔風機運行狀態監測、控制和故障報警。
·空調機組運行狀態監測、控制和故障報警。
五、系統功能及界面軟件設計與實現
在上位監控微機上顯示中央空調的整個工作狀態,如工藝流程圖、動畫構件、空氣流動塊、過程參數、安紐設置。
根據檢測點的數量每50臺用一個串口設備通訊,開關量單獨通訊,提供通訊速度。
(1)顯示:運行畫面顯示、變頻啟動、管道內氣體流動、室內溫度、室外溫度、濕度、送風溫度、閥門開度、變頻器頻率、水泵運行狀態。
(2)操作:用戶可對調節器參數設置;手動、自動、程序表起動、暫停、停止;用戶可用鼠標點擊安紐開關,手動-起-停送風、水泵。


(3)報警:變頻器、溫度、濕度、風壓發生異常報警時,相應的顯示會發生閃爍及聲音報警點擊消除;同時選擇各類報警并記錄報表;提供打印功能。


(4)曲線:實時曲線;可供查詢各時間段歷史曲線;提供打印功能。
(5)三曲線:歷史曲線提供PV、SV、MV、三曲線運行圖表提供打印功能。

(6)備忘錄:在歷史曲線畫面可輸入50個字文字備忘錄,提供打印功能。
(7)報表:提供1~15分鐘;30分鐘;60分鐘;班報表;日報表,提供打印功能。

(8)數據分析:提供每個測量單位的每5秒數據報表記錄,可查詢事故原因并顯示、可繪制負荷曲線,并顯示、打印運行報表,根據報表的數據分析系統運行工況。

六、系統運行結果
中央空調長時間投入運轉,在中央空調系統中的大量的水泵、風機,用電量占空調總用電量的30%~40%,采用智能調節器控制溫度,實現了變頻節能技術對空調循環水系統的水泵(冷凍、冷卻)進行節能控制,節能率通常在20%~50%之間,提高設備效率。
該系統在化纖廠房內安裝調試投入運行,并通過驗收。系統投入運行一年來,性能穩定、可靠。系統采用總線式的分布結構,設立現場控制器,所有檢測設備及電機均直接在各自的現場控制器上,并由總線連接構成系統,降低了系統成本,并且現場施工也變得極為簡單。受到客戶的好評。
返回頂部
